YZUL立式振动电机
产品分类:振动电机
产品简介: 振动源三相异步电动机为各类振动机械通用激振源。如振动给料机,振动输送机、振动烘干机、振动放矿机、振动落砂机、振动筛分机、料仓的振动防闭塞等。可广泛应用于电力、建材、粮食、煤炭、矿山、冶金、化工、轻工、铸造、铁道、水泥、港...
全国热线:
0373-2691011 15936547781
产品详情
振动源三相异步电动机为各类振动机械通用激振源。如振动给料机,振动输送机、振动烘干机、振动放矿机、振动落砂机、振动筛分机、料仓的振动防闭塞等。可广泛应用于电力、建材、粮食、煤炭、矿山、冶金、化工、轻工、铸造、铁道、水泥、港口等待业,深受全国广大用户欢迎。
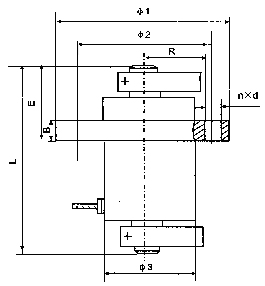
YZUL型振动电机主要特点: 1.噪音低、能耗低、效率高。 2.体积小、重量轻、启动迅速。 3.安装便捷、维护简单、寿命长。 4.激振力易于无级调整且调节范围广、振动无机械传导。 |
YZUL型振动电机工作原理: 振动电机是动力源与振动源结合为一体的激振源,振动电机是在转子轴两端各安装一组可调偏心块,利用轴及偏心块高速旋转产生的离心力得到激振力。YZUL系 列振动电机由电机本身运行产生易于调整的水平、垂直、倾斜等方向多元激振力,形成物料的快速平面分散、中心聚集、平面旋转、三维旋转等多种运动方式,用于 控制排料速度、处理精度等机械性能指标,以其独特的结构特点适应于不同的机械对振动源的要求。 |
YZU L □ □ ┬ ┬ ┬ ┬ │ │ │ │ │ │ │ │ │ │ │ │ │ │ │ └────────── 电机级数 │ │ │ │ │ └───────────- 最大激振力(KN) │ │ │ └────────────- 立式安装 │ └──────────────- 振动源三项异步电动机 |




豫公网安备 41070302000529号